UK 16 N-PE/N-Заземляющие клеммы для выполнения проводки в зданиях

Подробнее о товаре на сайте производителя

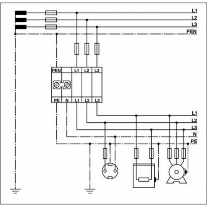
Заземляющие клеммы для выполнения проводки в зданиях, Блок PE/N состоит из одной клеммы защитного провода желто-зеленого цвета и одной синей клеммы с винтовой перемычкой, номинальное напряжение: 690 В, номинальный ток: 101 A, количество точек подсоединения: 2, тип подключения: Винтовые зажимы, cечение: 2,5 мм2 - 25 мм2, тип крепления: Основание из полиэтилена с крепежным винтом, M4, тип монтажа: NS 35/7,5, NS 35/15, NS 32, цвет: зеленый-желтый-синий


Функция PENда
Лепесток защитного проводникаесть
Количество точек подключения на ярус2