PTME 6-SET POWER-Комплект для ввода в эксплуатацию

Подробнее о товаре на сайте производителя

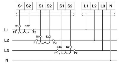
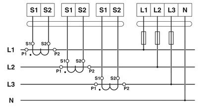
Стартовый комплект состоит из разд.клемм для измерит. преобразователя с зажимами Push-in, маркировочного материала, перемычек и тестеров. Комплект обеспечивает возможность индивидуальной компоновки клеммных колодок для 3-фазн. схем преобразователей (ток и напряжение).