FC 4-PCB/10-Штекерный соединитель

Подробнее о товаре на сайте производителя

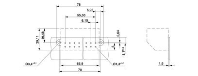
Разъемы для установки печатных плат, 10-конт.


Номинальное сечение4 мм²
Номинальное сечение AWG10